Restroom Trailer Rentals

Metroplex Restroom Trailers provides professional restroom trailer rental options for construction sites, commercial projects, and long-term use throughout the DFW metroplex and greater North Texas area.

Metroplex Restroom Trailers offers a focused lineup of modern restroom trailer options designed for reliability, comfort, and professional use.

Click any option below to learn more about available layouts and features, or request availability for your project.

Our Restroom Trailer Fleet

Our restroom trailer options range from compact units suitable for smaller crews or sites to higher-capacity trailers designed for extended use and higher traffic environments.

Each trailer is selected for dependable operation and professional presentation, offering a practical alternative to traditional portable restrooms.

Standard features may include:

  • Flush toilets

  • Sinks with running water

  • Climate-controlled interiors

  • Interior and exterior lighting

  • Clean, durable interior finishes

Availability and features may vary based on trailer configuration and scheduling.

People at an outdoor event standing near a white portable bathroom trailer with two doors, surrounded by trees and bushes.

2 Stall Restroom Trailer

The 2 Stall restroom trailer is a compact option designed for sites or events where space is limited. Its smaller footprint makes it suitable for construction projects, long-term rentals, social gatherings, weddings, and corporate events that require dependable restroom access without excess capacity.

This trailer is often appropriate for smaller crews or lower-traffic environments.

Typical use cases may include:
• Small construction sites
• Short-term or supplemental restroom needs
• Weddings
• Corporate events
• Locations with limited space

Configuration:
• Women’s – 1 private stall
• Men’s – 1 private stall

3 Stall Restroom Trailer

The 3 Stall restroom trailer offers additional capacity while maintaining a compact, efficient design. It is well suited for medium-sized job sites or projects, Weddings, social gatherings, and corporate events that require consistent restroom access over longer durations.

This option balances capacity and footprint for flexible placement.

Typical use cases may include:
• Medium-scale construction projects
• Renovations and phased builds
• Long-term rentals with moderate usage
•Weddings
• Corporate events

Configuration:
• Women’s – 2 private stalls
• Men’s – 1 private stall

4 Stall Community Restroom Trailer

The 4 Stall Community restroom trailer is designed to accommodate higher usage by allowing up to four users at the same time. The community-style layout helps reduce wait times while maintaining privacy within individual stalls.

This trailer features shared washroom areas with private, lockable stalls.

Layout details include:
• Community-style floor plan with separate men’s and women’s areas
• Men’s side: 1 private flushable toilet and 1 waterless urinal
• Women’s side: 2 private toilet stalls
• Sink and oversized, lockable vanity in each room

This option is well suited for larger construction sites and extended rentals where steady usage is expected.

5 Stall Restroom Trailer

The 5 Stall restroom trailer offers higher capacity while maintaining a manageable footprint. This option is designed for demanding environments where multiple users require consistent access throughout the day.

It is commonly selected for larger crews and high-traffic, long-term projects.

Typical use cases may include:
• Large construction sites
• Infrastructure projects
• Long-term rentals with high daily usage
• Weddings
• Corporate events

Configuration:
• Women’s – 3 private stalls
• Men’s – 2 private stalls

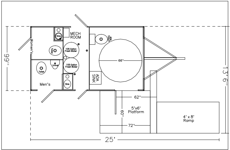
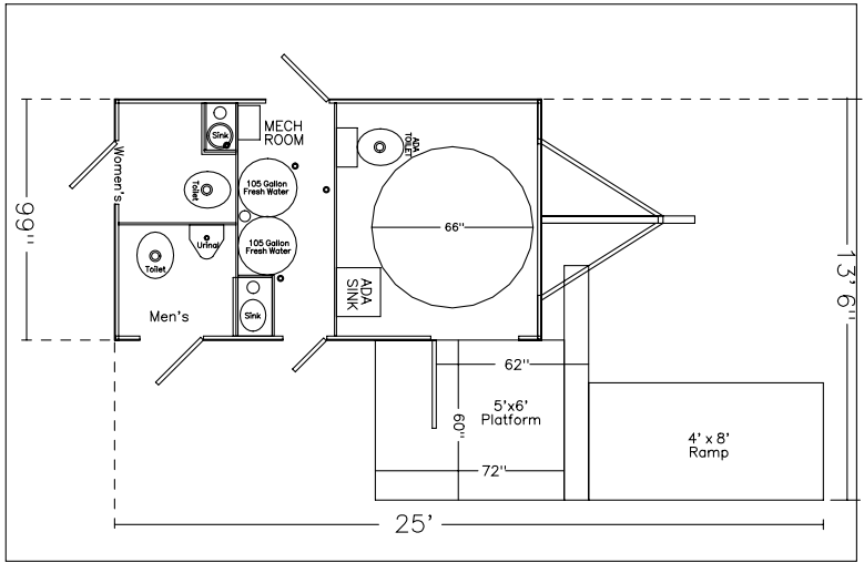
ADA-Compliant Restroom Trailer

The ADA restroom trailer option available through Metroplex Restroom Trailers is designed to meet the requirements of the Americans with Disabilities Act, providing accessible restroom accommodations for wheelchair users and elderly individuals.

The lowered frame design reduces ramp length, and a self-contained, quick-deploy ramp allows for efficient setup and breakdown. This makes the trailer well suited for sites that require flexible placement or frequent relocation.

This option is appropriate for construction sites, public-facing locations, corporate events, weddings and long-term projects where accessible facilities are required.

Configuration:
• Women’s – 1 private stall
• Men’s – 1 private stall
• ADA Unisex – 1 accessible stall

Restroom Trailer Rentals

Floor Plans

View floor plans for each restroom trailer option to easily compare layouts and capacities.

Features & Specs

High-end features include:

Outline drawing of a bathroom vanity with a sink and faucet, featuring two drawers.

Hotel quality vanities & mirrors

White snowflake icon on a black background.

Air Conditioning and Heating

Line drawing of a hand holding a syringe and a thermometer.

Safe & secure hand rails and stairs

A black and white icon showing a water droplet with circular arrows around it, representing water recycling or conservation.

Flushable toilets and flowing sinks

Outline drawing of a light bulb with a small filament at the bottom.

Bright & beautiful LED lighting

Request Availability

Tell us about your project location, timeline, and expected usage. We’ll help determine the most appropriate restroom trailer option based on your needs.